美国HITEC-SAI Mod11048多维力传感器
-
分类:多维/拉扭复合传感器
型号:
品牌:
浏览:
专线:400-877-3100
- 立即订购400-877-3100
-
产品详情
-
联系我们
SDI拉扭复合传感器设计用于同时测量扭矩(Mz)和推力(Fz)的双分量传感器,并提供两个单独的输出。
传感器可以进行串扰补偿,消除了离轴加载效应。
该传感器的坚固结构和元件设计使其能够承受显着的外力(见无关载荷方程)。
提供各种量程和尺寸。
具体请咨询我们的应用工程师
Capacities ........................
500 in-lbs (Mz) / 500 lbs (Fz)
2500 in-lbs (Mz) / 5000 lbs (Fz)
2500 in-lbs (Mz) / 2500 lbs (Fz)
4000 in-lbs (Mz) / 4000 lbs (Fz)
10000 in-lbs (Mz) / 20000 lbs (Fz)
Overload capacity........................ 150% F.S. both axes
Output at full scale load..................... 2.0 mV/V nominal
Non-linearity............................................. 0.10% of F.S.
Hysteresis................................................... 0.10% of F.S.
Zero balance............................................... +/-1% of F.S.
Compensated temperature.......................... 70 to 170°F
Useable temperature................................. -65 to +250°F
Temperature effect on zero................. 0.002% of F.S./°F
Temperature effect on span............. 0.002% of Rdg./°F
Bridge resistance.................................... 700/350 Ohms
Excitation voltage, maximum.............................. 20 Vdc
Material........................................................ Alloy steel
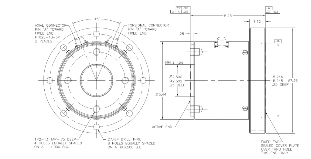
尺寸图纸








沪公网安备 31011402003414号