联系我们
- 上海耐创测试技术有限公司
- 联系人:陈工
- 电话:021-39197548
- 邮箱:zhujing@nai-chuang.com.cn
- 地址:上海市嘉定区马陆镇宝安公路2999弄东方慧谷50号2层

传感器在打磨系统中的应用
随着工业加器人技术的不断发展,机器人不再只是那个搬运重物的工具,传感器技术的应用让工业机器人变得智能了许多,传感器为机器人增加了触觉,为机器人高精度智能化的工作提供了基础。
以前国内大部分工件去毛刺加工作业大多采用手工/使用手持气动,电动工具来进行打磨,研磨,锉等方式完成去毛刺加工作业,但是这样的方法容易导致产品不良率上升,效率低下,加工后的产品表面粗糙不均匀等问题。事实证明传统的人工去毛刺已经满足不了现代化工业生产的需要。
近年来越来越多的厂家开始使用机器人安装电动或气动工具进行自动化打磨。机器人去毛刺的方案普通有两种形式,一是机器人装载加工主轴,工件固定,二是机器人抓取工件,加工主轴固定,两种方式都是目前比较主流的方案。
与手持打磨比较、机器人去毛刺能有效提高生产效率,降低成本,提高产品良率,但是由于机械臂刚性,定位误差等其他因素,采用机器人夹持电动,气动产品去毛刺针对不规则毛刺处理时容易出现断刀或者对工件造成损坏等情况发生。而且传统的铸件清理技术采用位置控制原理,因需要尽可能精确地确定机器人运行路径,编程工作复杂而耗时。传统技术尽管在理论上可获得恒定的研磨抛光质量,然而事实并不尽如人意,加工后的铸件往往前后品质不一,公差各不相同,难以获得稳定的工艺效果。
机器人在完成一些与环境存在力作用的任务时,比如打磨、装配,单纯的位置控制会由于位置误差而引起过大的作用力,从而会伤害零件或机器人。机器人在这类运动受限环境中运动时,往往需要配合力控制来使用。
因为:
1.力扭矩传感器是一种可以让机器人知道力的传感器,可以对机器人手臂上的力进行监控,根据数据分析,对机器人接下来行为作出指导。工业机器人尤其是协作机器人最大的要求就是安全,要营造一个安全的工作环境,就必须让机器人识别什么事不安全。一个碰撞传感器的使用,可以让机器人理解自己碰到了什么东西,并且发送一个信号暂停或者停止机器人的运动。
2.与上面的碰撞检测传感器不同,使用安全传感器可以让工业机器人感觉到周围存在的物体,安全传感器的存在,避免机器人与其他物体发生碰撞。
3.除了这些还有许多其他的传感器,比如焊接缝隙追踪传感器,要想做好焊接工作,就需要配备一个这样的传感器,还有触觉传感器等等。传感器为工业机器人带来了各种感觉,这些感觉帮助机器人变得更加智能化,工作精确度更高。

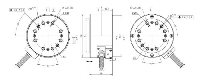
FC6D90系列六维力传感器

外形尺寸如下:














沪公网安备 31011402003414号