上海耐创测试技术有限公司
全国服务热线
400-877-3100
公司首页
关于我们
产品导航
品牌中心
案例应用
新闻动态
联系我们
案例应用
案例应用
联系我们
上海耐创测试技术有限公司
联系人:陈工
电话:021-39197548
邮箱:zhujing@nai-chuang.com.cn
地址:上海市嘉定区马陆镇宝安公路2999弄东方慧谷50号2层
当前位置:
案例应用
>
案例应用
>
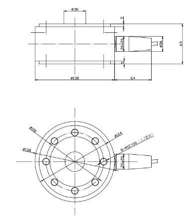
轮辐式传感器的应用
为何选择BOTA六维力矩传感器用于打磨和抛光机器人行业
三轴力传感器应用环境
六轴力传感器用于汽车缸盖打磨
称重传感器在医疗营养膳食管理中的应用
六维力传感器用于机器人拖动示教分享
轮辐式传感器介绍
六维力传感器用于机器人力控曲面打磨
称重系统测量小器件时,减少称重误差的方法
称重传感器在食品行业中的应用
三分力测激振力应用介绍
传感器在机械测力设备上的应用
共191条
上一页
1
2
3
4
5
6
下一页
最后一页