F1200 测力 称重测力传感器
-
分类:耐创 Forcechina
型号:
品牌:
浏览:
专线:400-877-3100
- 立即订购400-877-3100
跟此相关的产品
-
产品详情
-
联系我们
F1200 测力 称重测力传感器
F1200 型轮辐式传感器,其弹性体采用短而高的剪切梁,刚性特好,侧向力强,在结构上具有过载自锁功能
量程:2.5-50T
非 线 性:0.3%F.S.
滞 后:0.5%F.S.
重 复 性:0.3%F.S.
蠕 变:0.3%F.S.
灵 敏 度:2.0±0.005 mV/V
零 点 输出:±2% F.S.
零点温度系数:0.02~0.05%FS/10℃
额定输出温度系数:0.02~0.05%FS/10℃
输出电阻:350Ω
输入电阻:380Ω
绝缘电阻:≥5000MΩ
供桥电压:15 V
使用温度范围:-30~+70℃
过载保护:120%
防护等级:IP67
关键词:轮辐式称重传感器,称重传感器,测力传感器,力传感器,轮辐式测力传感器
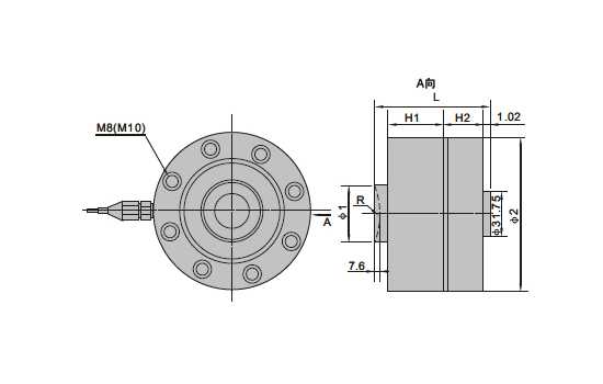
选型尺寸图
| 量程 | 尺寸 mm | ||||||
| Lb | t | Φ | R | L | H1 | H2 | Φ2 |
| 5-10K | 2~5 | 34 | 16 | 64 | 32 | 19 | 106 |
| 25-50K | 10~25 | 41 | 22 | 79 | 47 | 24 | 122 |
| 100K | 50 | 51 | 22 | 88 | 51 | 29 | 143 |








沪公网安备 31011402003414号